Breve tecnico: serratura remota invisibile — differenze principali tra sistema singolo e doppio

Come innovazione chiave nella sicurezza fisica moderna, le serrature invisibili a controllo remoto si dividono in due architetture: sistema singolo e sistema duale. Le differenze sono nette in termini di affidabilità, sicurezza e vita utile, influenzando direttamente l'esperienza utente e la sicurezza.

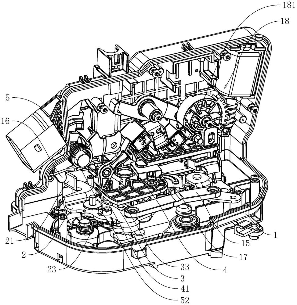
Struttura interna serratura invisibile dual-system
Fig 1: Struttura interna serratura invisibile dual-system

1. Serratura remota invisibile a sistema singolo – caratteristiche tecniche

Le serrature antifulmine remote invisibili a sistema singolo utilizzano un solo PCB e un solo motore. Questo design a basso costo è comune ma presenta limiti tecnici evidenti:

  • Punto singolo di guasto: l'intera serratura dipende da un PCB e un motore
  • Rischio di affidabilità: se uno dei componenti guasta l'utente non può aprire la porta
  • Alto costo di riparazione: è necessario intervento professionale e la serratura resta inutilizzabile durante l'attesa
  • Quota di mercato ampia: il basso costo fa sì che molte marche offrano ancora solo prodotti a sistema singolo

2. Serratura invisibile remota a sistema duale — vantaggi tecnici

WAFU si è concentrata nello sviluppo di serrature invisibili remote anti-furto a sistema duale, adottando due PCB e due motori indipendenti:

  • Ridondanza duale: due sistemi indipendenti operano in parallelo, ciascuno a supporto dell'altro
  • Fail-over automatico: quando il sistema primario si guasta, il sistema di backup entra in funzione entro 0,3 s
  • Obiettivo vero zero-fallimenti: il design dual-system elimina i blocchi causati dal guasto di un singolo componente
  • Maggiore durata: il carico è condiviso, quindi l'usura complessiva si riduce

3. Innovazioni chiave nella tecnologia dual-system di WAFU

WAFU ha raggiunto diverse innovazioni di rilievo nel settore:

  • Rilevamento intelligente dei guasti: monitoraggio in tempo reale di entrambi i sistemi con avvisi di preallarme
  • Commutazione senza interruzioni: il cambio tra sistemi è invisibile per l'utente e non influisce sull'operatività normale
  • Algoritmo di bilanciamento del carico: condivisione intelligente del lavoro tra i due sistemi per prevenire l'invecchiamento prematuro
  • Design modulare: i moduli difettosi possono essere sostituiti singolarmente, riducendo i costi di manutenzione

4. Modalità di ingresso multiple delle serrature invisibili smart

Le serrature smart invisibili moderne offrono diversi metodi di apertura per scenari differenti:

4.1 Sblocco con telecomando

  • La tecnologia rolling-code previene la clonazione del segnale
  • Portata efficace 15–20 m per un'operazione remota comoda
  • Accoppiamento multi-telecomando per le esigenze dei membri della famiglia

4.2 Sblocco tramite APP mobile

  • Connessione tramite Bluetooth o Wi-Fi
  • Supporta autorizzazioni remote e PIN temporanei
  • Notifiche push in tempo reale per tenere informati gli utenti

4.3 Sblocco tramite impronta digitale

  • Riconoscimento dell'impronta tramite sensore a semiconduttore
  • Riconoscimento <0,5 s, FAR <0,001 %
  • Memorizza più impronte per uso familiare

4.4 Sblocco con codice PIN

  • La tecnologia PIN virtuale previene lo shoulder-surfing
  • Codici temporanei monouso per visitatori
  • Blocco automatico dopo codici errati per maggiore sicurezza

5. Real-world value of dual-system technology

WAFU dual-system invisible locks show clear advantages in daily use:

  • Proprietari di abitazioni: elimina il rischio di restare chiusi fuori a causa del guasto di un singolo componente
  • Locali commerciali: garantisce che gli ingressi di uffici, negozi o magazzini restino utilizzabili
  • Immobili in affitto: riduce i reclami degli inquilini e i costi di manutenzione causati dai guasti della serratura
  • Residenze di fascia alta: fornisce un livello di sicurezza adeguato al valore immobiliare premium

6. Tendenze del settore e prospettive tecnologiche

Con l'evolversi della tecnologia di sicurezza smart, le serrature invisibili si muoveranno nelle seguenti direzioni:

  • Design ridondante come standard: le architetture a sistema duale o multi-sistema diventeranno caratteristiche base dei prodotti premium
  • Intelligenza più avanzata: algoritmi AI abiliteranno la manutenzione predittiva e il rilevamento precoce dei guasti
  • Integrazione più profonda: integrazione stretta con gli ecosistemi smart-home per automazioni basate su scenari
  • Sicurezza superiore: maggiore fusione di biometria e tecnologie di crittografia
"Nel campo delle serrature smart, l'affidabilità è una metrica fondamentale più importante delle funzionalità. La tecnologia dual-system di WAFU risolve il problema dell'affidabilità alla radice e offre agli utenti una sicurezza reale." —— Direttore R&D, WAFU Smart
WhatsApp
Codice QR WhatsApp

WhatsApp:

+86 19501835094

telefono

Telefono: +86 19501835094

email
Torna su